深圳安富
17322447119
网站首页
服务项目
电气防火安全检测
建筑消防设施维护保养
建筑消防安全评估
建筑消防设施检测
检测案例
荣誉资质
安全生产标准化二级评审单位
广东省安全生产协会会员单位
龙华区安全生产协会会员单位
深圳市消防协会会员单位
危险化学品安全管理协会副会长
新闻中心
公司资讯
行业资讯
业务范围
法律法规规范标准
消防演习
学校消防演习
企业消防演习
关于我们
企业简介
公司环境
在线留言
我们的团队
联系我们
联系方式
法律法规规范标准
你的位置:
首页
>
法律法规规范标准
全部
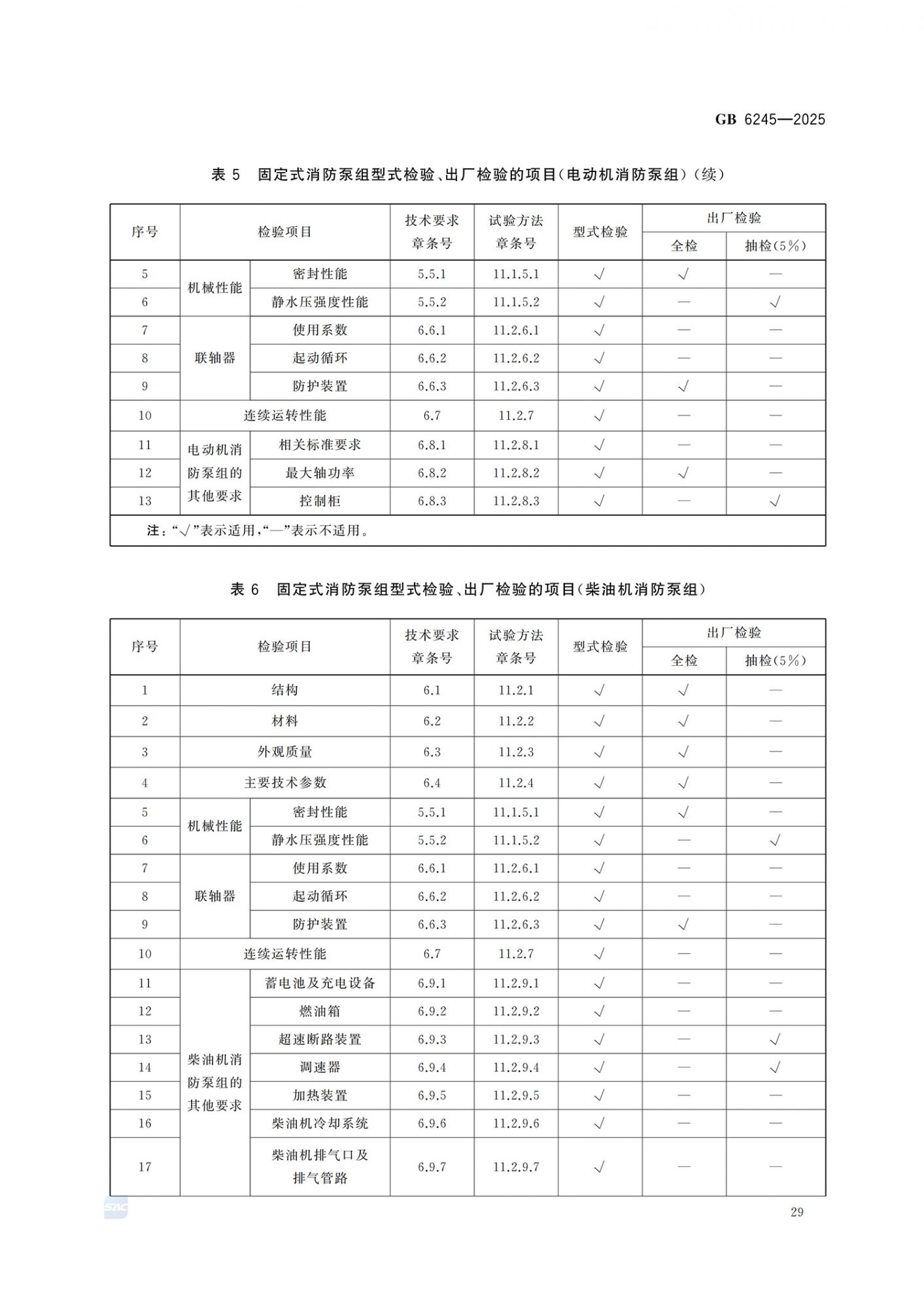
GB 6245-2025+消防泵
2026-01-07
1806
为您推荐
DB11!T 065-2022电气防火检测技术规范
DB44T 2703-2025 电动自行车集中充换电设施建设及运营管理规范
GB 6245-2025+消防泵